• HOME
  • LO STUDIO
  • PROGETTI
  • CONTATTI

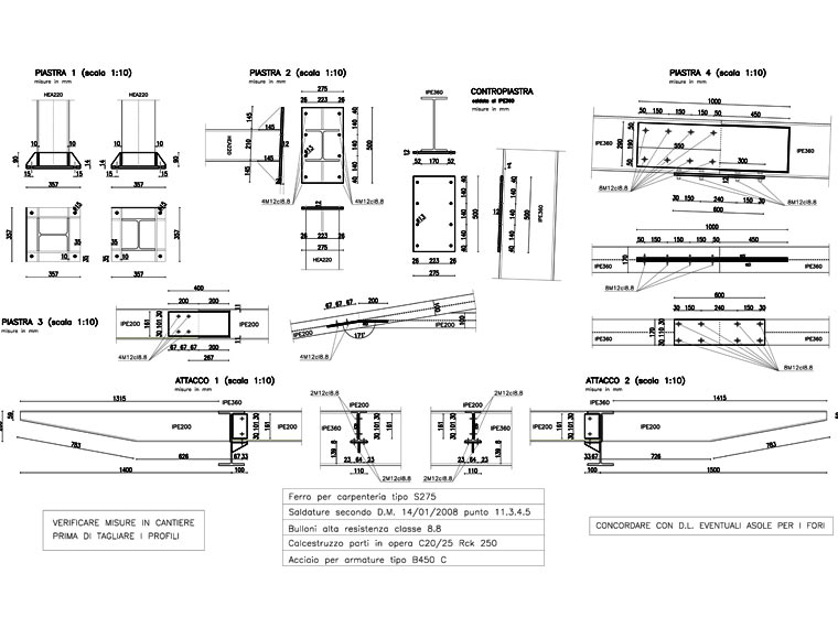
PROGETTO DI TETTOIE METALLICHE

Il progetto riguarda la realizzazione di tettoie metalliche in azienda agricola.
Lo studio tecnico ha maturato negli anni una ottima esperienza nella progettazione di fabbricati strumentali all'attività agricola (stalle, tettoie, vasconi per liquami, magazzini e depositi), collegati eventualmente ai Piani di Sviluppo Rurale.
La progettazione viene seguita dall'ottenimento dei permessi comunali alla realizzazione strutturale dei manufatti, ottimizzando i costi e le geometrie degli elementi strutturali.

  • DatA: 2012
  • Cliente: PRIVATO
> Tutti i progetti

Studio Tecnico Ferrero

Via Lombarda, 2
10060 San Secondo di Pinerolo (TO)
Tel. + 39 0121.374523

E-mail: enrico.ferrero.pinerolo@tin.it

Copyright 2016 Studio Tecnico Enrico Ferrero. P.IVA 06979560015 - Cookie policy
Credits